Published:2009/7/21 5:36:00 Author:Jessie | From:SeekIC

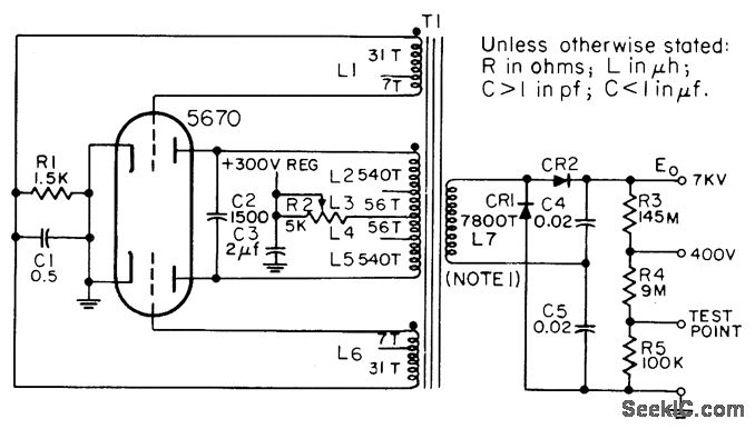
Serves as high-voltage source for screen grid and final anode of 5 to 12-inch cathode-ray tubes.CR1 and CR2 are each six 1N588 silicon diodes in series. Operating frequency is about 450 cps for twin-triode tuned-plate oscillator having high L-C ratio.-NBS, Hand-book Preferred Circuits Navy Aeronautical Electronic Equipment, Vol. I, Electron Tube Circuits, 1963, PC 6, p 6-2.
Reprinted Url Of This Article:
http://www.seekic.com/circuit_diagram/Power_Supply_Circuit/DUAL_TRIODE_7_KV_CRT_SUPPLY.html
Print this Page | Comments | Reading(3)
Code: