Published:2011/5/16 9:26:00 Author:Christina | Keyword: D/A, converter | From:SeekIC



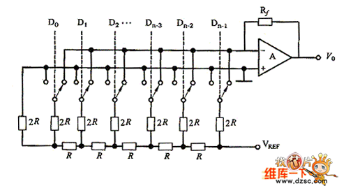
The DAC0832 uses the monolithic dc output type 8 digit/mode converter with the CMOS technology. As the figure 1 shows, this device is composed of the inverted T-type R-2R resistor network, the analog switch, the operational amplifier and the reference voltage VREF. The operational amplifier's output analog quantity V0 is:
Figure 1
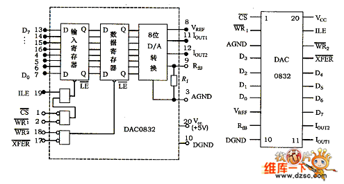
One 8-bit D/A converter has eight input ports (each input port is one of the eight binary number) and one analog output port. The input can have 28=256 different binary configurations, the output is one of the 256 voltages, this means the output voltage is not any value of the whole voltage range, it can only be 256 possible values. Figure 2 shows the DAC0832's logic diagram and pin arrangement.
Figure 2
Figure 3
Reprinted Url Of This Article:
http://www.seekic.com/circuit_diagram/Power_Supply_Circuit/D_A_converter_DAC0832_circuit.html
Print this Page | Comments | Reading(3)
Code: