Published:2009/7/24 1:55:00 Author:Jessie | From:SeekIC

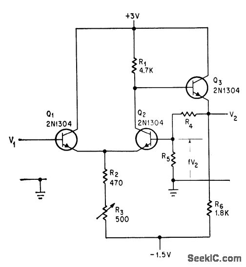
Prevents damage to transistors when making measurements with 1.5-v or 3-v range in semiconductor circuits. Feedback from Q3 to Q2 gives stability and linearity. Circuit can extend range of 1.5-v vtvm down to 500 or 150 mv full scale, but is sensitive to supply voltage variations and has open-circuit gain of only about 50.-A. K. Scidmore, Low-Cost Emitter-Follower Extends Voltmeter's Range, Electronics, 39:3, p 87.
Reprinted Url Of This Article:
http://www.seekic.com/circuit_diagram/Power_Supply_Circuit/D_C_PREAMP_FOR_VTVM.html
Print this Page | Comments | Reading(3)
Code: