Published:2011/3/24 1:58:00 Author:Nicole | Keyword: standard power supply | From:SeekIC

Reprinted Url Of This Article:
http://www.seekic.com/circuit_diagram/Power_Supply_Circuit/Digital_set_standard_power_supply_circuit_diagram.html
Print this Page | Comments | Reading(3)
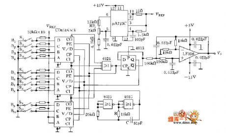
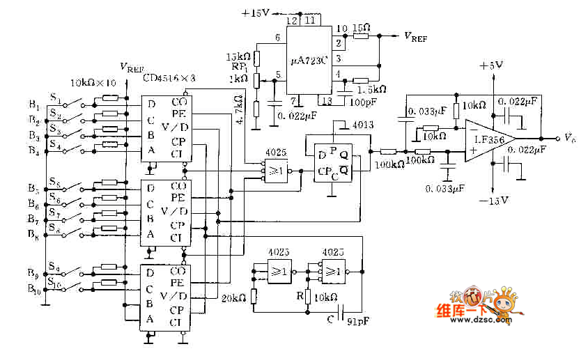
Code: