Published:2009/7/17 2:27:00 Author:Jessie | From:SeekIC

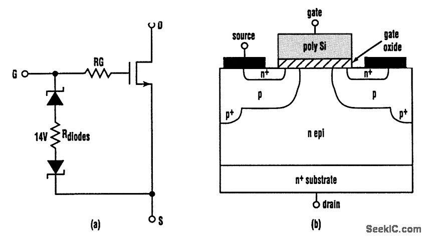
A simple way to protect the gate of a power MOS device is to place back-to-back zener diodes between the device's gate and source (a). The breakdown voltage of the zeners is chosen to be less than the oxide-rupture voltage so that the ESD transient cannot harm the gate. The resistance of the clamp diodes must be kept to a minimum because ESD transients can have high peak currents (in amps), and the voltage appearing at the gate will be the sum of the zener breakdown voltage and the IR voltage drop across the diode resistance. The machine model (MM) is particularly stressful because there is no resistance to limit the current. Along with the diodes, the resistor (RG) is added to improve MM performance. RG prevents the gate of the MOSFET from charging to a dangerous voltage level during the time the ESD transient is dissipated by the diodes. A machine model here is defined as a 200-pF capacitor with no series resistance.
Reprinted Url Of This Article:
http://www.seekic.com/circuit_diagram/Power_Supply_Circuit/ELECTROSTATIC_PROTECTOR.html
Print this Page | Comments | Reading(3)
Code: