Published:2009/7/16 4:59:00 Author:Jessie | From:SeekIC

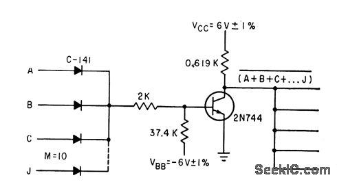
Operates at up to 8Mc from -55°C to+150°C.-D,Hall Using Epitaxial Transistors in Switching and R-F Circuits. Electronics, 34:13, p 52-53.
Reprinted Url Of This Article:
http://www.seekic.com/circuit_diagram/Power_Supply_Circuit/EPIIAXIAL_NOR_GATE.html
Print this Page | Comments | Reading(3)
Code: