Published:2009/7/15 3:14:00 Author:Jessie | From:SeekIC

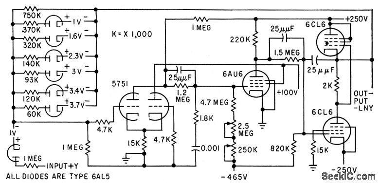
Output is exponentially decoying curve in which exponent is determined by other components of system. Used in analog computer to integrate curve of dye concentration in blood stream to obtain now role.-R. L. Skinner and D. K. Gehmlich, Analog Computer Aids Heart Ailment Diagnosis, Electronics, 32:40, p 56-59.
Reprinted Url Of This Article:
http://www.seekic.com/circuit_diagram/Power_Supply_Circuit/EXPONENTIAL_FUNCTION_GENERATOR.html
Print this Page | Comments | Reading(3)
Code: