Published:2011/5/7 6:23:00 Author:Joyce | Keyword: Electric Bicyle Fast Charger GD-36 Circuit | From:SeekIC

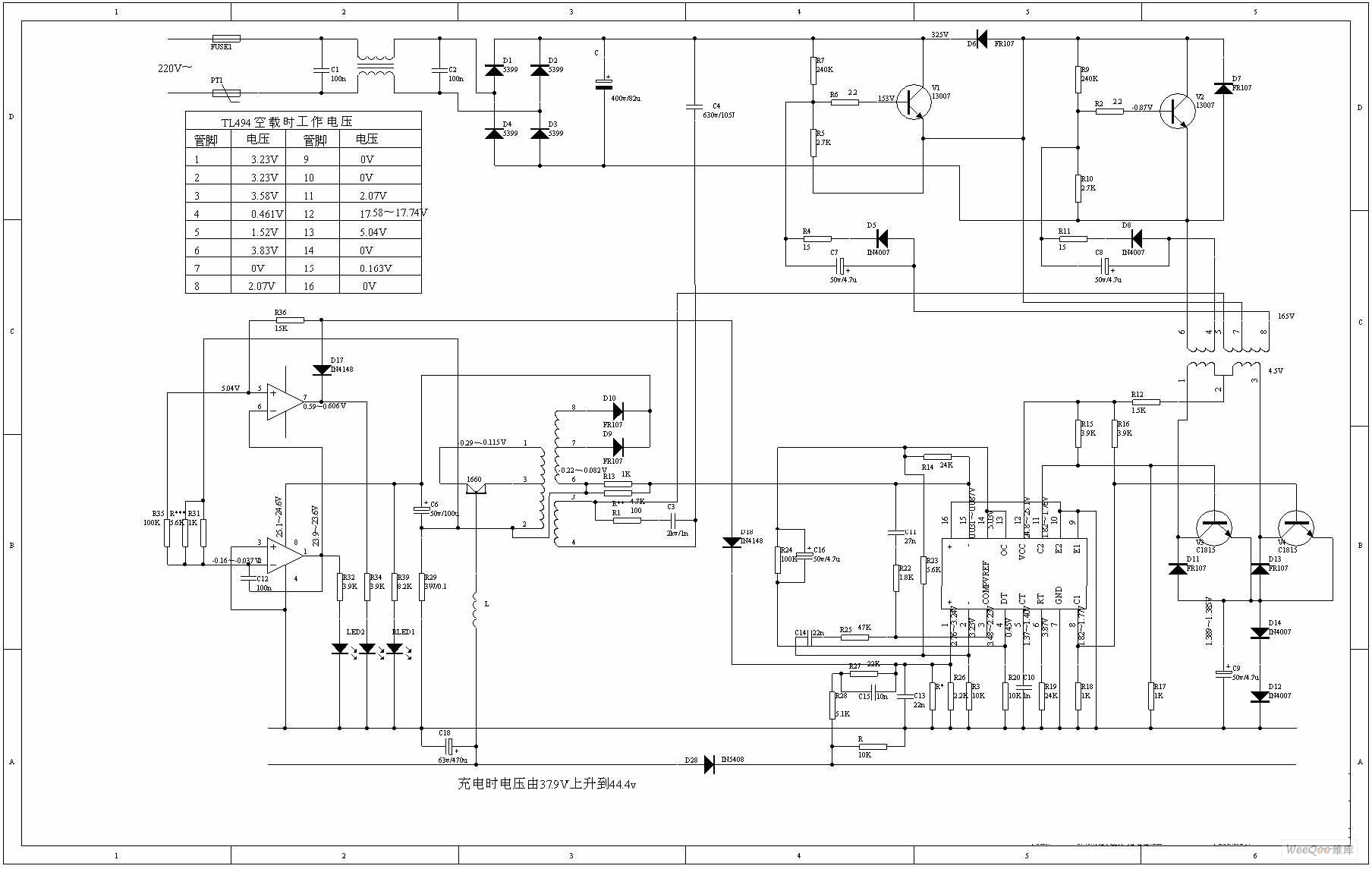
Electric Bicyle Fast Charger GD-36 Circuit
Reprinted Url Of This Article:
http://www.seekic.com/circuit_diagram/Power_Supply_Circuit/Electric_Bicyle_Fast_Charger_GD_36_Circuit.html
Print this Page | Comments | Reading(3)
Code: