Published:2009/7/19 21:41:00 Author:Jessie | From:SeekIC

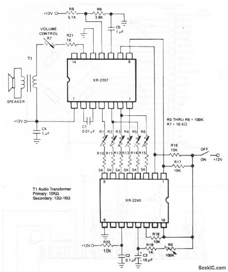
In this circuit, the XR-2207 oscillator produces a sequence of tones by oscillating at a frequency set by C1 and resistors R1 through R6 (which sot the frequency or pitch of the output tone sequence). The XR-2240 counter/timer generates pseudo-random pulse patterns by selectively counting down the time-base frequency. The outputs of XR-2240 (pins 1 through 8) activate the timing resistors R1 through R6 of XR-2207, which convert the binary pulse patterns to tones. C3 and R0 set the beat or tempo of the music. The output tone sequence continues for about 1 to 2 minutes (depending on the beat ) and then repeats. The XR-2240 resets to zero when power is applied, so the tone sequence (or music) always starts from the same point when the synthesizer is turned on.
Reprinted Url Of This Article:
http://www.seekic.com/circuit_diagram/Power_Supply_Circuit/Electronic_music_synthesizer.html
Print this Page | Comments | Reading(3)
Code: