Published:2009/7/19 21:45:00 Author:Jessie | From:SeekIC

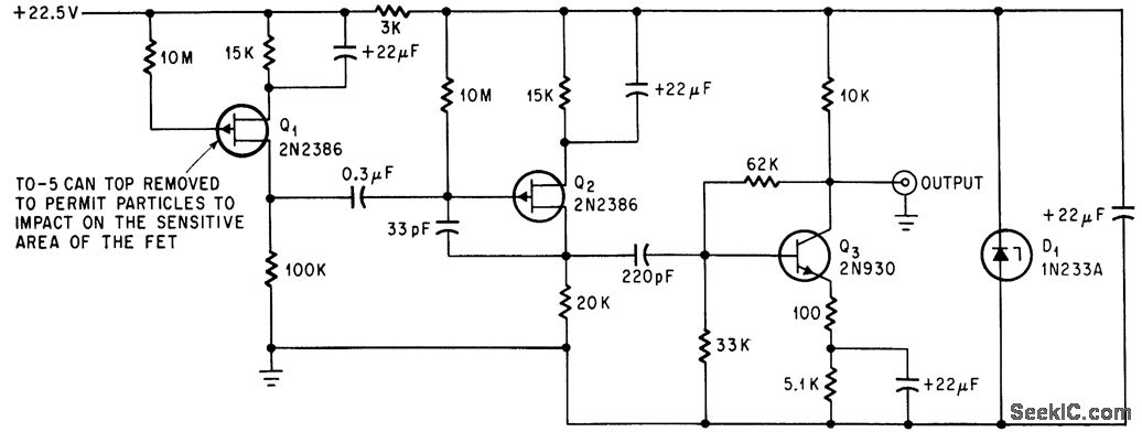
Field-effect transistor with cover removed serves as low-noise alpha-particle detector in high-altitude dew point hygrometer. Signal-to-noise ratio is 67 to 1.-C. R. Seashore and C. D. O’Brien, FET Detects Alpha Particles Better And More Precisely, Electronics, 38:3, p 64-66.
Reprinted Url Of This Article:
http://www.seekic.com/circuit_diagram/Power_Supply_Circuit/FET_ALPHA_DETECTOR.html
Print this Page | Comments | Reading(3)
Code: