Published:2009/7/16 21:47:00 Author:Jessie | From:SeekIC

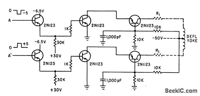
GENERATOR SWTICH-Pairs of deflection Switches operating push-pull into defection yoke act with 16-point coarse positioning system to give 4,096 positions, generated in binary fashion.-K.E Perry and E.J. Aho, Radar-Computer Display fracas Alphanumeric Characle,Electronics,34:26,p 75-79.
Reprinted Url Of This Article:
http://www.seekic.com/circuit_diagram/Power_Supply_Circuit/FINE_POSITIONING_CHARACTER.html
Print this Page | Comments | Reading(3)
Code: