Published:2011/5/20 3:10:00 Author:Nora | Keyword: Fixed, DC , Power | From:SeekIC

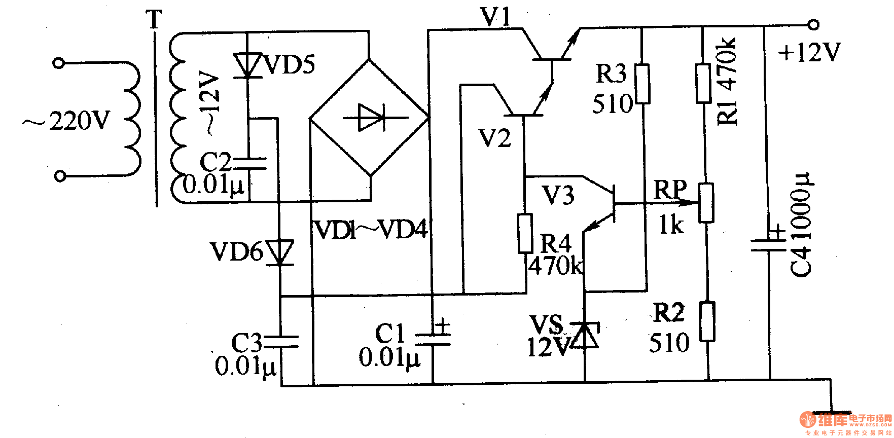
AC 220V step-down voltage by T in T, to generate AC 12V secondary winding voltage, the voltage all the way through VDl-VD4 bridge rectifier, Cl Vl filter Bo Houjia to the collector on; another path VD5, VD6 and C2 , C3 times the pressure of the rectified voltage to provide work for the V2. V2 turn, its output voltage of the emitter turn-Vl, the output from the Vl + l2V emitter voltage. When Vl emitter output voltage when the high side at + l2V, V3 conduction capacity enhancement, so that the base voltage V2 goes low, Vl and V2 in the conduction diminished capacity, the output voltage down to normal; when Vl emitter When the output voltage is low, V3 conduction diminished capacity, V2 increase the base voltage, so that Vl and V2 in the conduction capacity enhancement, the output voltage to normal.
Reprinted Url Of This Article:
http://www.seekic.com/circuit_diagram/Power_Supply_Circuit/Fixed_DC_Power_Supply_Diagram3.html
Print this Page | Comments | Reading(3)
Code: