Published:2009/7/24 4:11:00 Author:Jessie | From:SeekIC

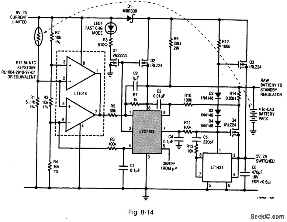
Figure 8-14 Shows an LTC1155 dual-power MOSFET driver connected to providecontrol of a four-cell charger/regulator. The LTC1155 has the ability to deliver 12-V of gate drive to two N-channel power MOSFETs when powered from a 5-V supplywith no external component required, The circuit is suited for a notebook-computer supply.(A four-cell NiCad battery pack can be used to power a 5-Vnotebook computer.)Q3 and Q4 must be provided with heatsinks.The regulator ISswitched off by the microprocessor when the battery voltage drops below 4.6V The standby current for the 5-V 2-A regulator is less than 10 μA.The regulator is switched on agam when the battery voltage rlses during charging. LINEAR TECHNOLOGY, DESIGN NOTE 51 P.1
Reprinted Url Of This Article:
http://www.seekic.com/circuit_diagram/Power_Supply_Circuit/Four_cell_NiCad_regulator_charger.html
Print this Page | Comments | Reading(3)
Code: