Published:2011/6/26 5:31:00 Author:TaoXi | Keyword: Four-phase, clock source circuit | From:SeekIC

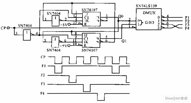
The four-phase clock source circuit is composed of the synchronous mode 4 counter (74107 J-K trigger) and the decoder SN74 LS139. The output of it is the negative pulse, the pulse width is the clock interval.
Reprinted Url Of This Article:
http://www.seekic.com/circuit_diagram/Power_Supply_Circuit/Four_phase_clock_source_circuit.html
Print this Page | Comments | Reading(3)
Code: