Published:2009/7/19 21:55:00 Author:Jessie | From:SeekIC

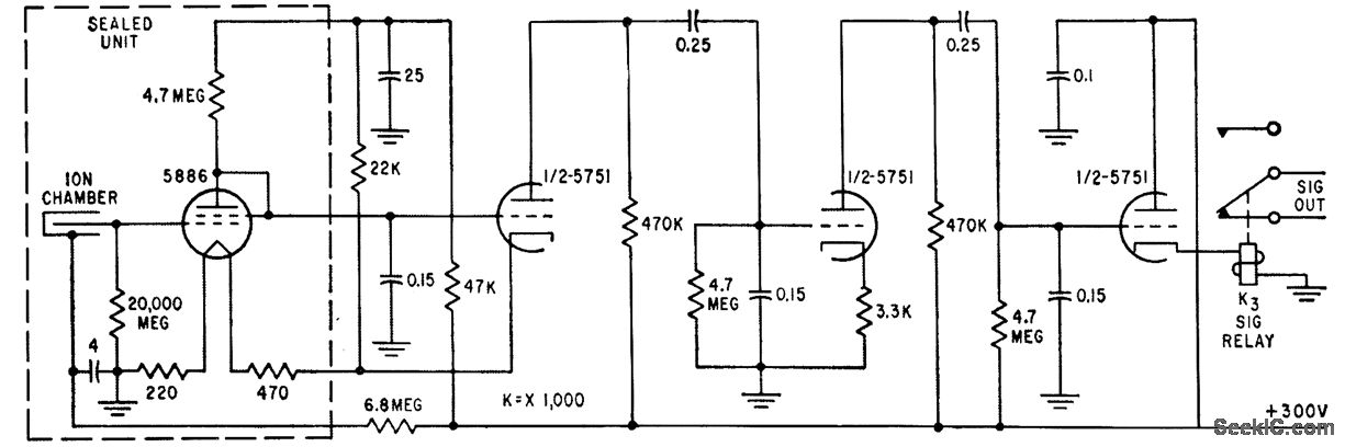
Triggers only on gammaray pulse produced by nuclear explosion. Uses a-c coupled ion chamber to detect pulses of gamma radiation.-J. C. Champeny, T. E. Petriken, and S. Siciliano, Nuclear Bomb Alarm Systems, Electronics, 32:19, p 53-55.
Reprinted Url Of This Article:
http://www.seekic.com/circuit_diagram/Power_Supply_Circuit/GAMMA_RAY_DETECTOR.html
Print this Page | Comments | Reading(3)
Code: