Published:2009/7/17 23:03:00 Author:Jessie | From:SeekIC

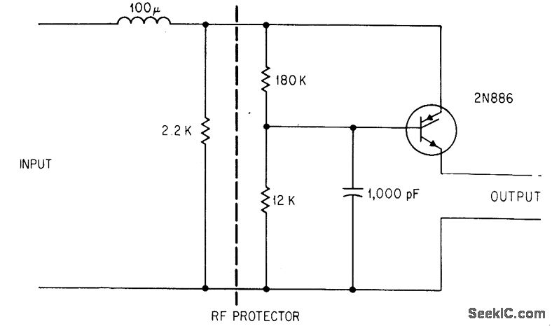
Capacitor between gate and cathode provides shunt path at higher frequencies to prevent firing of silicon controlled switch by r-f interference. Values in circuit will give protection from 32-V signals between 100 kc and 30 Mc. –R. J. Sanford, Can RFI Control Prevent Weapons Failures?, Electronics, 36:45, p 43-45.
Reprinted Url Of This Article:
http://www.seekic.com/circuit_diagram/Power_Supply_Circuit/GATE_CAPACITOR_PROTECTS_SCS_AGAINSTRFI.html
Print this Page | Comments | Reading(3)
Code: