Published:2009/7/21 5:43:00 Author:Jessie | From:SeekIC

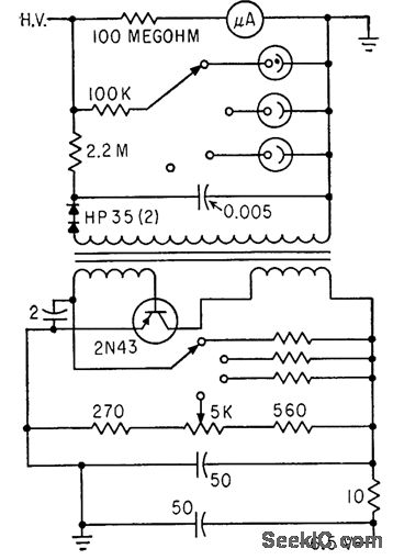
Uses blocking oscillator to provide three stabilized levels of high voltage, at 900, 1,000, and 1,100 V, for G-M tube. Corona discharge tubes are switched in to provide regulation.-F. E. Armstrong, Battery Powered Portable Scaler, Electronics, 33:19, p 74-75.
Reprinted Url Of This Article:
http://www.seekic.com/circuit_diagram/Power_Supply_Circuit/GEIGER_MULLER_SUPPLY.html
Print this Page | Comments | Reading(3)
Code: