Published:2009/7/20 3:01:00 Author:Jessie | From:SeekIC

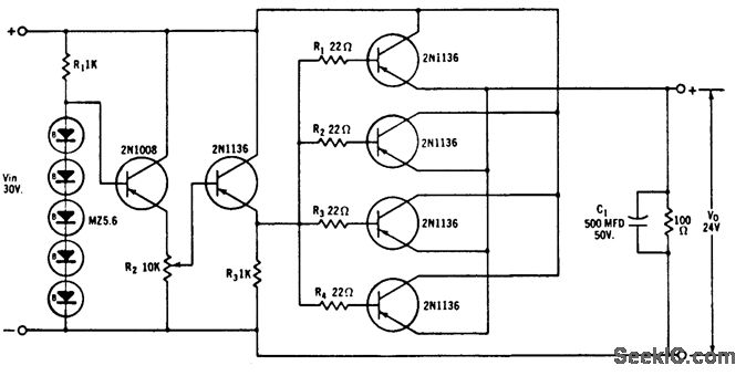
Four parallel-connected transistors handle up to 240 w if mounted with heat sink. If output voltage is reduced, separate power supply must be provided for zener regulator to protect transistors.- Zener Diode Handbook, International Rectifier Corp., 1960, p 57.
Reprinted Url Of This Article:
http://www.seekic.com/circuit_diagram/Power_Supply_Circuit/HIGH_CURRENT_REGULATOR.html
Print this Page | Comments | Reading(3)
Code: