Published:2009/7/24 1:41:00 Author:Jessie | From:SeekIC

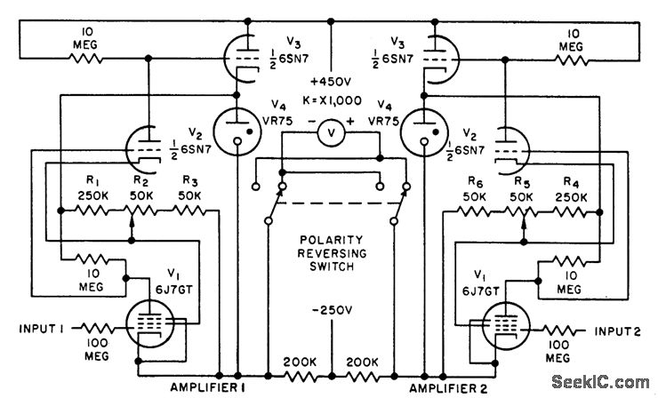
Infinite input impedance is obtained in direct.coupled d-c amplifier by continuously and automatically feeding back to input a bucking voltage equal to signal voltage. Use of both inputs permits differential easurements of small signal voltages at mean levels between -150 and +300 v, for measuring grid-cathode potentials in high-impedance circuits or for balancing high-impedance push-pull circuits. Instead of input voltage dividers, range resistors are used in output circuit. Voltage supply need not be regulated.-V. D. Schurr, D-C Amplifier Expands Input Voltage Range, Electronics, 31:23, p 87-89.
Reprinted Url Of This Article:
http://www.seekic.com/circuit_diagram/Power_Supply_Circuit/HIGH_IMPEDANCE_DIFFERENTIAL_VTVM.html
Print this Page | Comments | Reading(3)
Code: