Published:2009/7/16 21:56:00 Author:Jessie | From:SeekIC

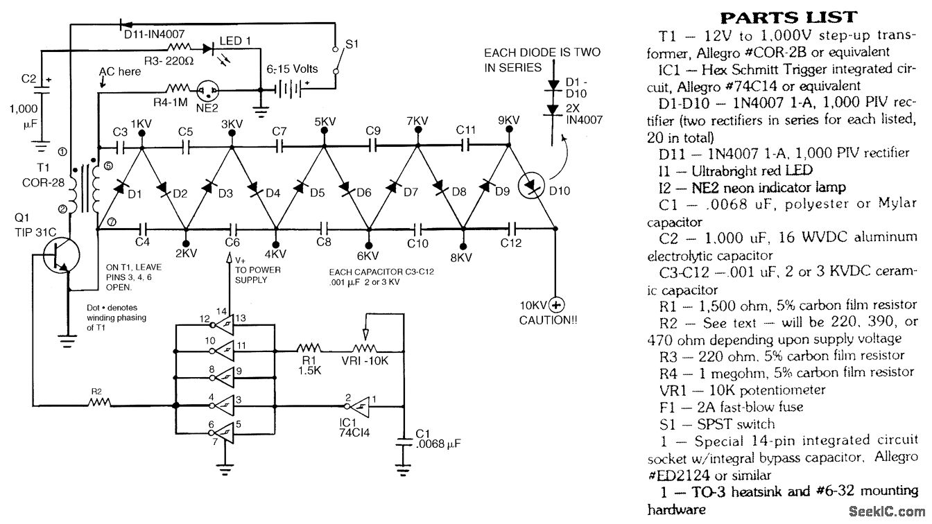
This power supply uses a Cockcroft-Walton HV multiplier circuit to produce up to 10 kV from a 12-V source. Up to 5 W is available from this circuit.
Reprinted Url Of This Article:
http://www.seekic.com/circuit_diagram/Power_Supply_Circuit/HV_POWER_SUPPLY.html
Print this Page | Comments | Reading(3)
Code: