Published:2011/4/22 18:42:00 Author:Nicole | Keyword: full-bridge converter | From:SeekIC

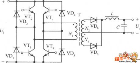
The two electrolytic capacitors of half-bridge converter circuit are changed to the other two high voltage power transistors, and coupled with appropriate drive circuit then can be composed of full-bridge converter circuit, the figure is as shown. VT1, VT2, VT3, VT4 form 4 bridge arms. High frequency transformer T is connected between them. Relative VT1, VT4 and VT2, VT3 alternately inspired by the drive circuit turning on, the DC input voltage into a high-frequency square-wave transform AC voltage. The course of working is the same as push-pull power converter circuit. Thus, when the high frequency transformeris working, the voltage of primary coil is considered to the supply voltage, it is twice the half-bridge circuit output voltage, the pressure of each transistor remains at the supply voltage, twice the output power increases. If the current reach half-bridge circuit, that means the current increases twice, then the output power can increase 4 times. The main disadvantages of full-bridge circuit is thatit needs 4groups transistor base drive circuits which are insulative with each other, complex and increase the cost of the control drive circuit.
Reprinted Url Of This Article:
http://www.seekic.com/circuit_diagram/Power_Supply_Circuit/High_power_full_bridge_converter_circuit_diagram.html
Print this Page | Comments | Reading(3)
Code: