Published:2013/2/18 2:07:00 Author:Ecco | Keyword: High-side, current monitoring | From:SeekIC

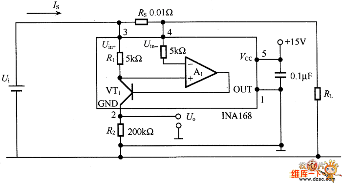
In the measurement of changed supply current, the return line of the power -side is grounded, sometimes it can not be connected to shunt resistor between the casing and the rack. INA168 is a current detecting circuit ASIC, the indicators are as following: The power supply voltage is 30 ~~ 60V, and the detected current is at least 10A, then the detection output voltage is 4V, the accuracy is less than 1%.
Reprinted Url Of This Article:
http://www.seekic.com/circuit_diagram/Power_Supply_Circuit/High_side_current_monitoring_circuit_with_INA168.html
Print this Page | Comments | Reading(3)
Code: