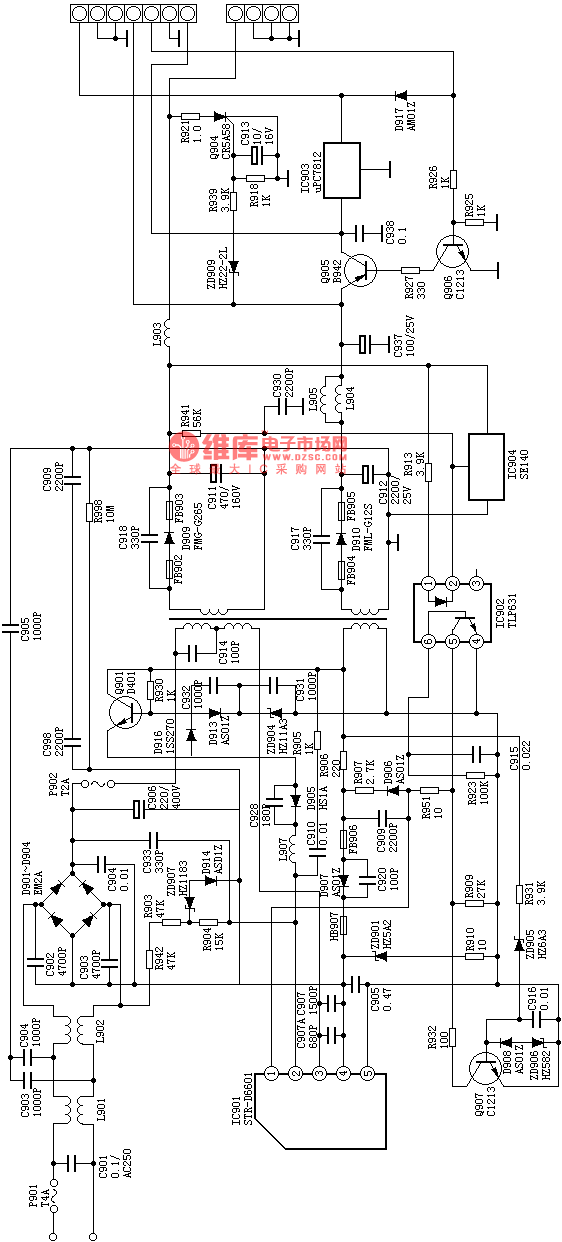
Published:2011/7/16 9:17:00 Author:Vicky | Keyword: Hitachi, Power Supply Circuit | From:SeekIC

Reprinted Url Of This Article:
http://www.seekic.com/circuit_diagram/Power_Supply_Circuit/Hitachi_AIPM8C_Power_Supply_Circuit_Diagram.html
Print this Page | Comments | Reading(3)
Code: