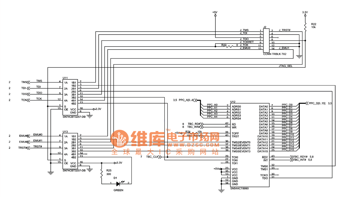
Published:2014/2/23 21:25:00 Author: | Keyword: ICETEK C6711 -- A principle diagram of 06, | From:SeekIC

As shown in figure ICETEK C6711 -- A principle diagram of 06
Reprinted Url Of This Article:
http://www.seekic.com/circuit_diagram/Power_Supply_Circuit/ICETEK_C6711____A_principle_diagram_of_06.html
Print this Page | Comments | Reading(3)
Code: