Published:2009/7/16 1:50:00 Author:Jessie | From:SeekIC

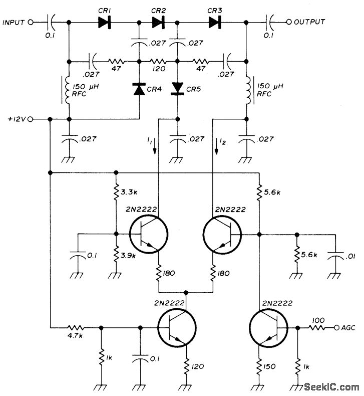
Low-distortion automatic input attenuator for modern communication receiver is activated at input signal levels above 100 μV. For range of 1-30 MHz, use PIN diodes such as HP5082-3081, Intermodulation distortion products of attenuator are about 85 dB down for two 1-V signals.-U. L. Rohde, 0ptimum Design for High-Frequency Communications Receivers, Ham Radio, Oct. 1976, p 10-25.
Reprinted Url Of This Article:
http://www.seekic.com/circuit_diagram/Power_Supply_Circuit/INPUT_ATTENUATOR.html
Print this Page | Comments | Reading(3)
Code: