Published:2009/7/15 5:20:00 Author:Jessie | From:SeekIC

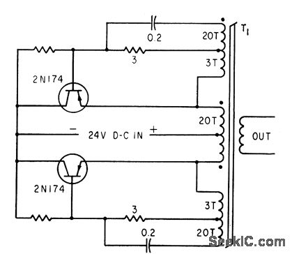
Individual speed-up windings and series capacitors for each transistor base reduce switching times to as little as 4 microsec for 2N174's and to 2 microsec for some germanium power transistors.-A. G. Lloyd, Speed-up Circuits Improve Switching of Transistor Inverters, Electronics, 34:45, p 92-94.
Reprinted Url Of This Article:
http://www.seekic.com/circuit_diagram/Power_Supply_Circuit/INVERTER_BASE_SPEED_UP_WINDINGS.html
Print this Page | Comments | Reading(3)
Code: