Published:2009/7/16 20:54:00 Author:Jessie | From:SeekIC

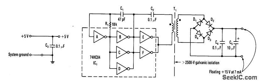
A dc-dc converter using a 74HC04 drives T1. T1 is a ferrite-core transformer using a Fair-Rite, Inc. P/N 5975000201 (μo + 5 000) and has a 7-turn primary and a 25-tum secondary. Kynar, #30 wirewrap wire is used. With T1, the circuit isolation is good to 2 500 V.
Reprinted Url Of This Article:
http://www.seekic.com/circuit_diagram/Power_Supply_Circuit/ISOLATED_15_V_TO_2_500_V_SUPPLY.html
Print this Page | Comments | Reading(3)
Code: