Published:2009/7/16 21:20:00 Author:Jessie | From:SeekIC


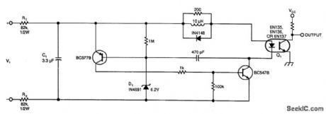
A simple voltage-controlled oscillator (VCO), coupled to your instrumentation by an optoisolator, allows you to measure high voltages. The component values suit a 0- to 600-V input range (power dissipation in R1 and R2 set a limit on the input-voltage range). The circuit's linearity is not an issue, because you can linearize its output in software.
The input voltage (V1), charges capacitor C1 until zener diode D1 conducts. Then, the zener diode triggers an avalanche circuit that discharges C1 into optocoupler Q1. After C1 discharges, the charging cycle repeats. C1 also averages the sensed-voltage level, which thereby provides noise immunity.
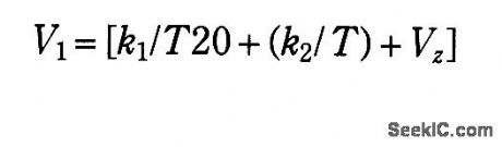
The optocoupler's output is a pulse train whose frequency increases with increasing input voltage. To develop a linearizing equation for the circuit, measure its output at two convenient, widely spaced input voltages. Then plug the resulting periods into this second-order polynomial approximation and solve the two simultaneous equations for the two constants, k1 and k2:
Vz is the zener voltage of D1.
Reprinted Url Of This Article:
http://www.seekic.com/circuit_diagram/Power_Supply_Circuit/ISOLATED_VOLTAGE_SENSOR.html
Print this Page | Comments | Reading(3)
Code: