Published:2011/7/12 19:29:00 Author:TaoXi | Keyword: power supply | From:SeekIC

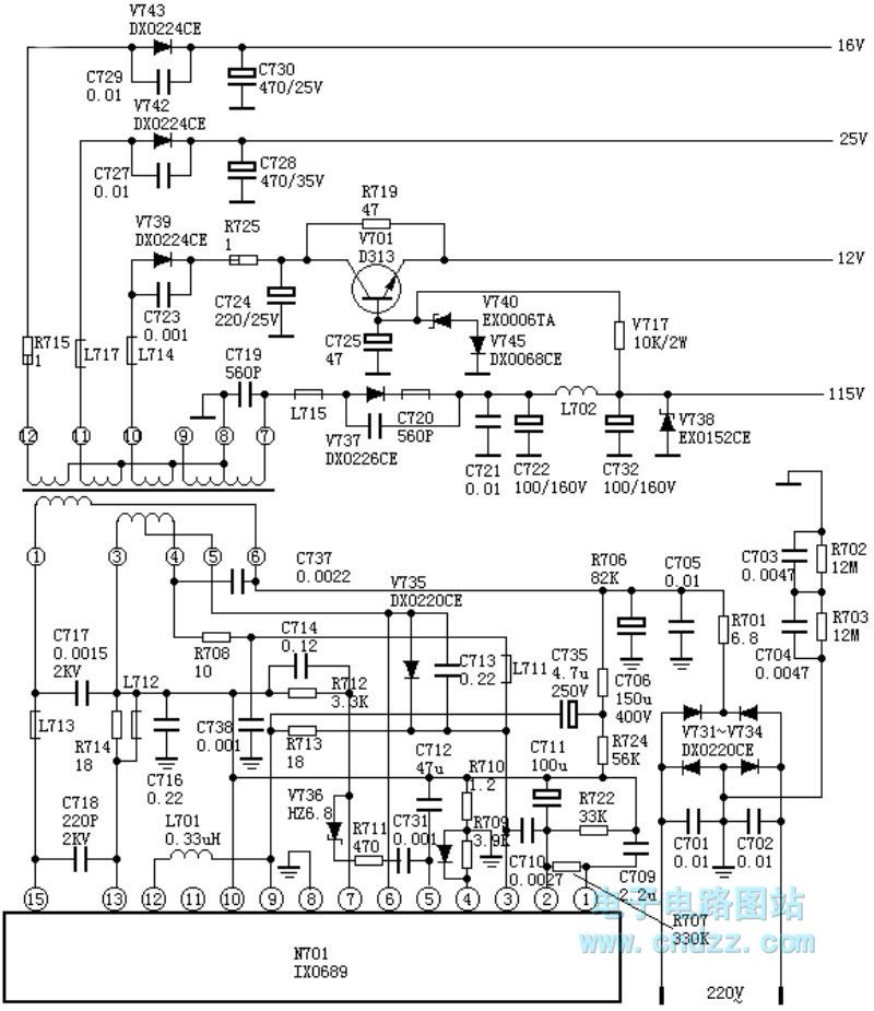
The 300V DC voltage is divided by the R707 and R724, and then this 300V DC voltage adds to the pin-12 of the N701 through the C735 and L701, the pin-12 of the IX0689 is the B port of the internal switching tube, so the switching tube conducts, the current gets in this circuit through the C port of the pin-15, and it gets out through the E port of the pin-13.
The pin-3 and pin-5 of the T701 is the positive feedback winding, when the switching tube is conducting, the pin-5 has the positive polarity and the pin-3 has the negative polarity, the voltage of pin-5 adds to the pin-12 of N701 through the V735, R713 and L701 to increase the current of the switching tube, so this cycle makes the switching tube saturate quickly.
Reprinted Url Of This Article:
http://www.seekic.com/circuit_diagram/Power_Supply_Circuit/IX0689_power_supply.html
Print this Page | Comments | Reading(3)
Code: