Published:2009/7/24 20:22:00 Author:Jessie | From:SeekIC

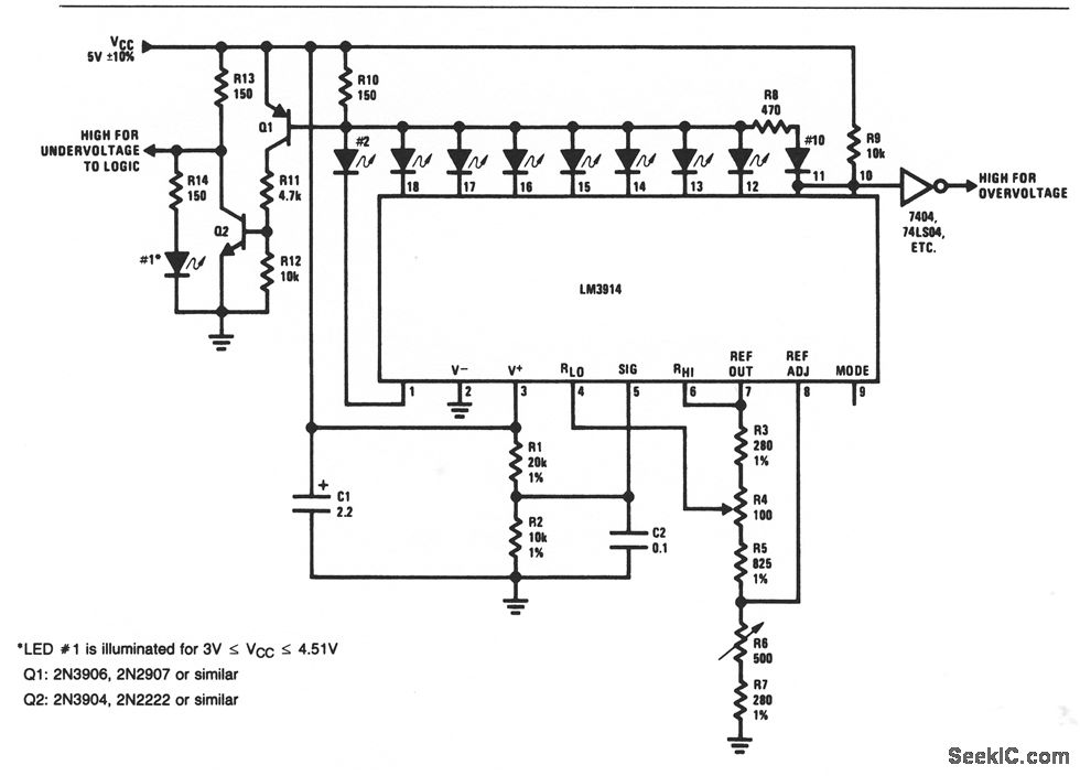
This circuit is an improved version of the circuit shown in Fig. 9-33. The calibration procedure is the same.
Reprinted Url Of This Article:
http://www.seekic.com/circuit_diagram/Power_Supply_Circuit/Improved_5_V_power_supply_monitor.html
Print this Page | Comments | Reading(3)
Code: