Published:2009/6/16 23:39:00 Author:May | From:SeekIC

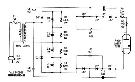
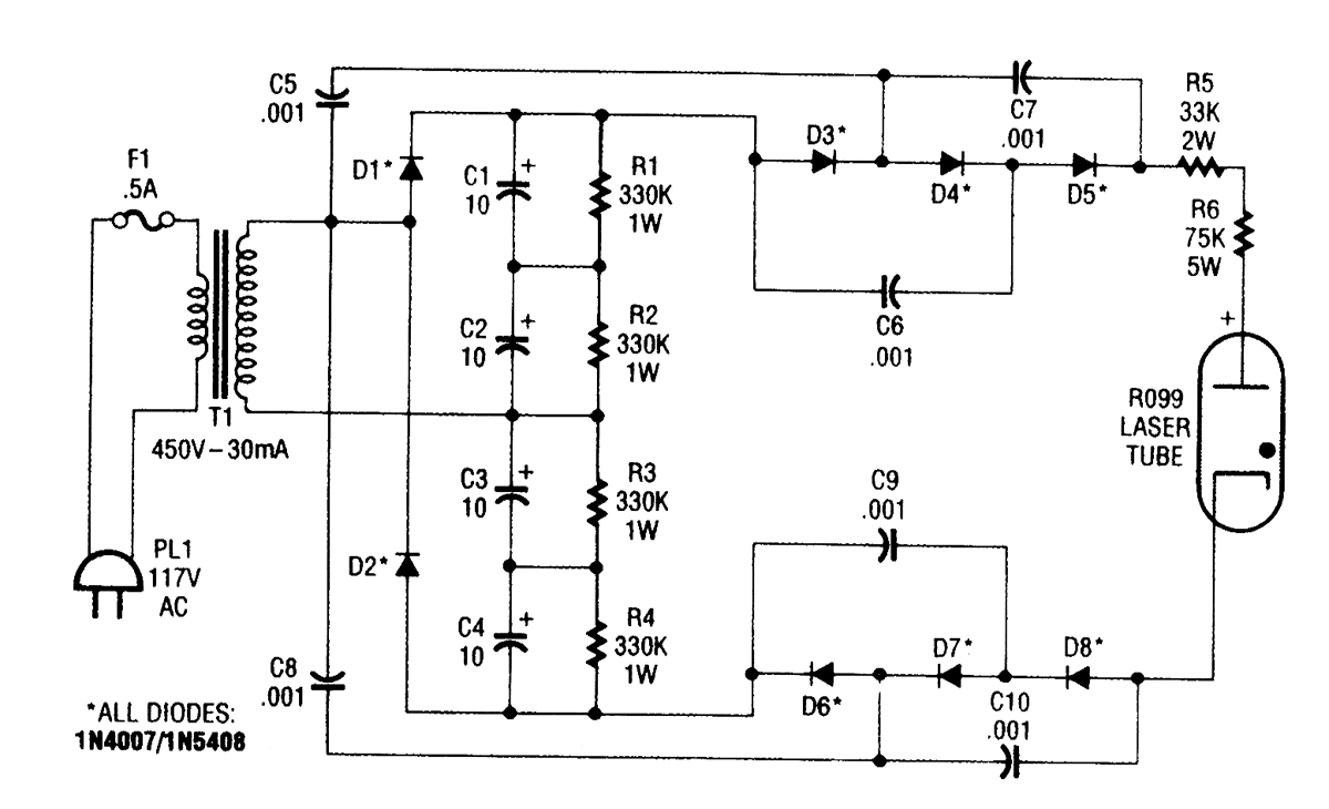
This supply generates an initial high voltage for ignition purposes. After ignition, the supply gen-erates about 1300 to 1500 V. If a higher ignition voltage (than the 6000 V supplied) is necessary, more multiplier stages can be added to D5 and D8.
Reprinted Url Of This Article:
http://www.seekic.com/circuit_diagram/Power_Supply_Circuit/LASER_POWER_SUPPLY.html
Print this Page | Comments | Reading(3)
Code: