Published:2009/6/22 22:33:00 Author:May | From:SeekIC

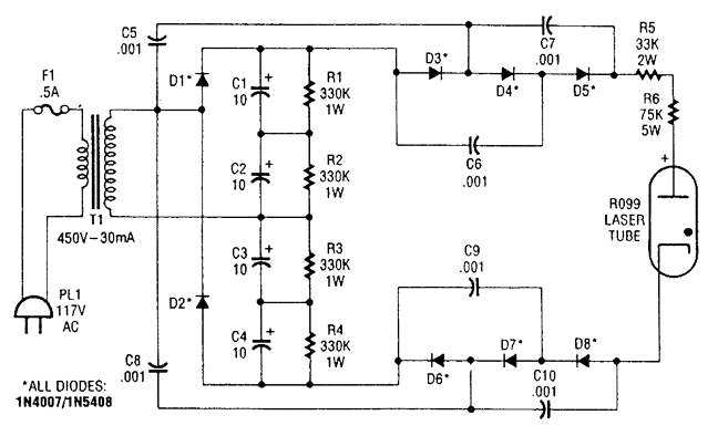
The supply provides about 6 kVdc when open circuited, dropping to around 1375 Vdc when loaded. The R099 is a laser tube.
Reprinted Url Of This Article:
http://www.seekic.com/circuit_diagram/Power_Supply_Circuit/LASER_dc_SUPPLY.html
Print this Page | Comments | Reading(3)
Code: