Published:2013/12/30 20:39:00 Author: | Keyword: LCD microprocessor speech synthesis series circuit diagram, | From:SeekIC

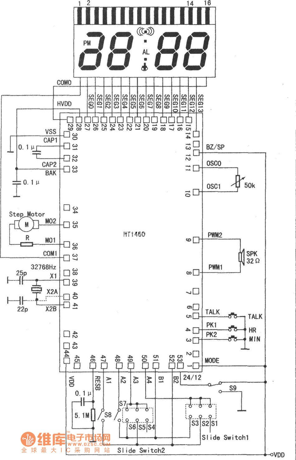
This series of speech synthesis embedded microprocessor, LCD driver circuit, clock oscillator, input and output, audio storage unit and audio amplifier circuit. This series circuit is mainly used for speech clock and watch, thermometer, electronic calendar, intelligent speech toys. As shown in figure for HT1460 typical application circuit diagram.
Reprinted Url Of This Article:
http://www.seekic.com/circuit_diagram/Power_Supply_Circuit/LCD_microprocessor_speech_synthesis_series_circuit_diagram.html
Print this Page | Comments | Reading(3)
Code: