Published:2009/7/14 22:32:00 Author:Jessie | From:SeekIC

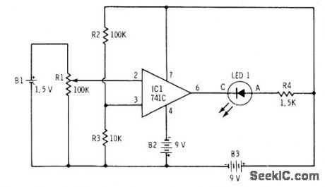
Circuit is adjusted so opamp turns on LED at desired signal level as set by R1 Opamp is operated without feedback resistor to have maximum gain, so small input signal produces very large output signal Values shown for R2 and R3 give turn-on voltage of 0.9 V for LED.-F. M. Mims, Integrated Circuit Projects, vol. 4, Radio Shack, Fort Worth, TX, 1977, 2nd Ed., p 70-75.
Reprinted Url Of This Article:
http://www.seekic.com/circuit_diagram/Power_Supply_Circuit/LED_INDICATES_SIGNAL_LEVEL.html
Print this Page | Comments | Reading(3)
Code: