Published:2009/7/17 4:24:00 Author:Jessie | From:SeekIC

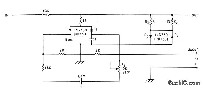
Output of pas sive circuit is proportional to log of input voltages between 0.1 and 100 v. Serves for either positive or negative pulses.-C. D. Nail, Logarithmic Attenuator Spans Three Decades, Electronics, 36:46, p 47-48.
Reprinted Url Of This Article:
http://www.seekic.com/circuit_diagram/Power_Supply_Circuit/LOGARITHMIC_ATTENUATOR.html
Print this Page | Comments | Reading(3)
Code: