Published:2009/7/14 22:31:00 Author:Jessie | From:SeekIC

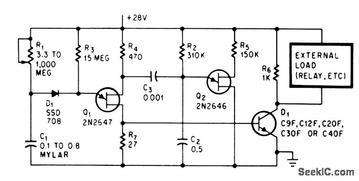
Delays up to 2 hours are obtained, using unijunctiom transistor Q1 as trigger for scr and Q2 as free-running oscillator. Only 2 na through timing resistor R1 will provide triggering.-D. V. Jones, Quick-On-The-Trigger Design, Electronics, 38:12, p 105-110.
Reprinted Url Of This Article:
http://www.seekic.com/circuit_diagram/Power_Supply_Circuit/LONG_DELAYS.html
Print this Page | Comments | Reading(3)
Code: