Published:2009/6/23 2:50:00 Author:Jessie | From:SeekIC

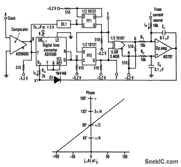
This circuit uses negative feedback to a digital-to-time converter, and can supply a current-con-trolled delay to replace the oscillator in a phase-locked loop that handles input frequencies from 40 kHz to 40 MHz.A current sourced into the inverting input of the op-arrtp integrator's summing node can phase shift the pulses at F in relation to those at E by up to 1800.
Reprinted Url Of This Article:
http://www.seekic.com/circuit_diagram/Power_Supply_Circuit/LOOP_OSCILLATOR_ELIMINATOR.html
Print this Page | Comments | Reading(3)
Code: