Published:2009/7/1 20:18:00 Author:May | From:SeekIC

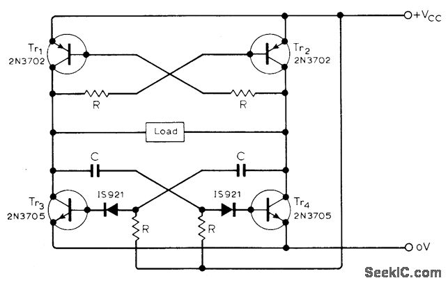
Combination of astable and bistable MVBRs, connected so diagonally opposite transistors switch on and off together, minimizes current drain in battery-powered signal generator. Period of square wave is approximately equal to 1.4CR, and peak load current can be up to 70 mA with 24-V battery supply. Circuit will tolerate wide range of values for CB.-J. C. Hopkins, Efficient Square-Wave Oscillator, Wireless World, June 1977, p 58.
Reprinted Url Of This Article:
http://www.seekic.com/circuit_diagram/Power_Supply_Circuit/LOW_BATTERY_DRAIN.html
Print this Page | Comments | Reading(3)
Code: