Published:2009/7/24 1:42:00 Author:Jessie | From:SeekIC

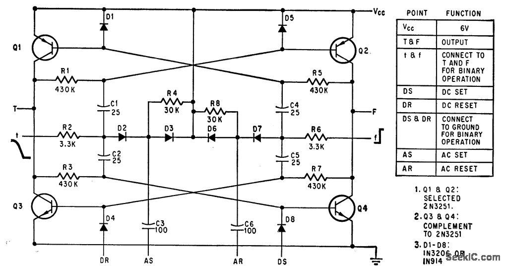
Complementary-pair circuit keeps power dissipation below 2 mw, with standby power of only 150 microwatts. Consists of two interconnected flip-lops, sharing common diode steering network at input. Diodes D1, D4, D5, and D8 protect emitter-based junctions from breakdown and also increase switching speed by clamping back bias levels at base of transistor. May be used for binary operation, as staler, or as shift register.-M. E. McGee and J. H. Wujek Jr., One-Megahertz Flip-Flop Saves Standby Power, Electronics, 39:12, p 106-107.
Reprinted Url Of This Article:
http://www.seekic.com/circuit_diagram/Power_Supply_Circuit/LOW_DISSIPATION_1_MC_FLIP_FLOP.html
Print this Page | Comments | Reading(3)
Code: