Published:2009/7/20 4:21:00 Author:Jessie | From:SeekIC

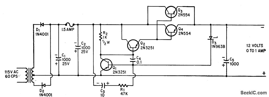
Ripple at output is used to control d-c resistance of series regulator transistors Q3-Q4, to keep ripple below 10 my rms over wide temperature range. Cost is under $15.-R. E. Risely, Power Supply Reduces Ripple by Varying Series Resistance, Electronics, 39:2, p 74-75.
Reprinted Url Of This Article:
http://www.seekic.com/circuit_diagram/Power_Supply_Circuit/LOW_RIPPLE_AT_LOW_COST.html
Print this Page | Comments | Reading(3)
Code: