Published:2009/6/28 21:45:00 Author:Jessie | From:SeekIC

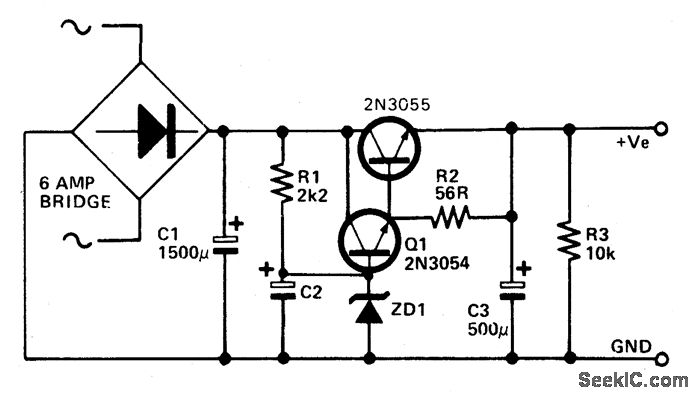
This circuit may be used where a high current is required with a low ripple voltage (such as in a high powered class AB amplifier when high quality reproduction is necessary). Q1, Q2, and R2 may be regarded as a power darlington transistor. ZD1 and R1 provide a reference voltage at the base of Q1. ZD1 should be chosen thus: ZD1 = Vout-1.2. C2 can be chosen for the degree of smoothness as its value is effectively multiplied by the combined gains of Q1/Q2, if 100 μF is chosen for C2, assuming minimum hfe for Q1 and Q2, C = 100 x 15(Q1) x 25(Q2) = 37,000 μF.
Reprinted Url Of This Article:
http://www.seekic.com/circuit_diagram/Power_Supply_Circuit/LOW_RIPPLE_POWER_SUPPLY.html
Print this Page | Comments | Reading(3)
Code: