Published:2009/7/23 23:05:00 Author:Jessie | From:SeekIC

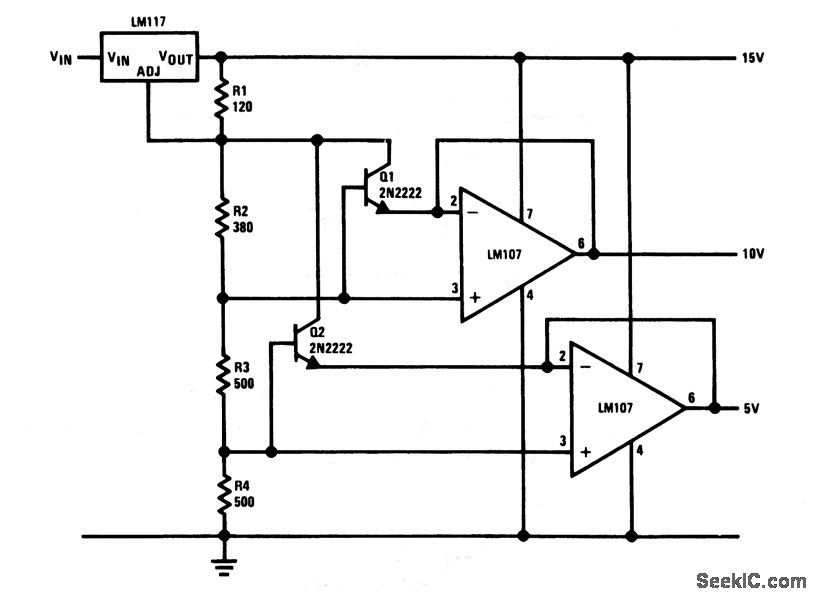
This circuit provides +5-, +10-, and +15-V regulated outputs.
Reprinted Url Of This Article:
http://www.seekic.com/circuit_diagram/Power_Supply_Circuit/Linear_regulator_with_multiple_outputs.html
Print this Page | Comments | Reading(3)
Code: