Published:2011/5/19 22:17:00 Author:Michel | Keyword: Lithium-ion Battery Charger, One | From:SeekIC

The lithium-ion rechargeable battery charger introduced in the example charges in constant voltage and current way.It is suitable for 3.6V
lithium ion battery charging which are used in kinds of mobile phones.
Circuit's Work Principle
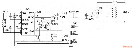
The lithium-ion rechargeable battery charger consists of battery charger circuit,charging control circuit and protection circuit and it
is showed as the picture 5-73.Power supply circuit is composed of mains transformer,T,rectifier bridge,UR and filter capcitor,C6.
Charging control circuit consists of special intergrated circuit,IC,resistor,R1-R3,capacitor,C1-C5,diode,VD1-VD3 and inductor.
Reprinted Url Of This Article:
http://www.seekic.com/circuit_diagram/Power_Supply_Circuit/Lithium_ion__Battery_Charger__One.html
Print this Page | Comments | Reading(3)
Code: