Published:2013/3/22 3:13:00 Author:Ecco | Keyword: Low Power, Bipolar Stabilizer | From:SeekIC

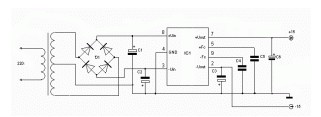
The stabilizer is made on the integrated circuit KR142EN6. IC is a bipolar voltage regulator with an output voltage of + / -15 V. Maximum load current is 200 mA. Enough to supply a pre-amplifier or the early stages of the power amplifier.Diode bridge – any of a series of KTS407, KTS405, KTS402.Transformer with two secondary windings, the voltage on each – 16 Volt.
Reprinted Url Of This Article:
http://www.seekic.com/circuit_diagram/Power_Supply_Circuit/Low_Power_Bipolar_Stabilizer.html
Print this Page | Comments | Reading(3)
Code: