Published:2009/7/20 3:00:00 Author:Jessie | From:SeekIC

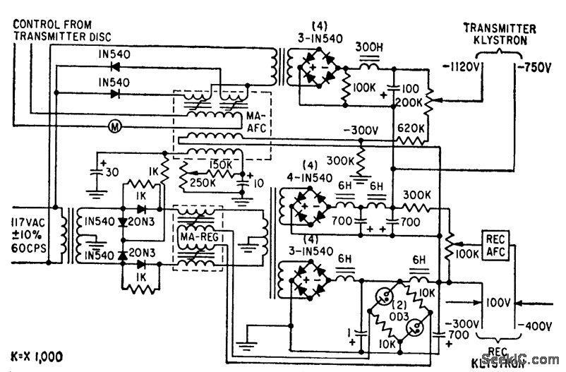
Provides stable operating voltages for transmitter and receiver local-oscillator klystrons in 6,000- Mc microwave link.-M. C. Harp, Nonvacuum Devices Control Klystrons, Electronics 32:7, p 68-70.
Reprinted Url Of This Article:
http://www.seekic.com/circuit_diagram/Power_Supply_Circuit/MAGNETICAMPLIFIER_REGULATOR.html
Print this Page | Comments | Reading(3)
Code: