Published:2009/7/20 2:57:00 Author:Jessie | From:SeekIC

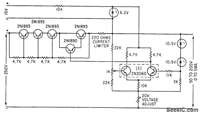
Constclnf-volfc1ge bridge footing on variatble resistor feeds differential amplifier and series regulator. Rheostat setting determines value of regulated output voltage.-S. Prigozy, Designing Special Power Supplies for Voltage-Tunable Oscillators, Electronics, 35:44, p 48-50.
Reprinted Url Of This Article:
http://www.seekic.com/circuit_diagram/Power_Supply_Circuit/MAGNETRON_INJECTION_ELECTRODE_SUPPLY.html
Print this Page | Comments | Reading(3)
Code: