Published:2009/7/17 3:38:00 Author:Jessie | From:SeekIC

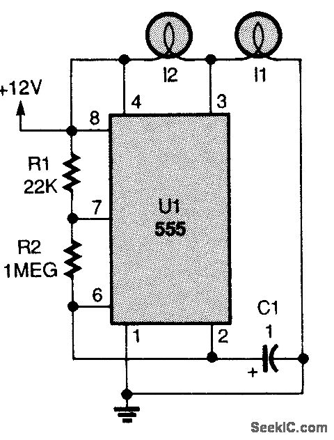
This simple circuit can operate the incandescent bulbs in a railroad-crossing flasher.
Reprinted Url Of This Article:
http://www.seekic.com/circuit_diagram/Power_Supply_Circuit/MODEL_TRAIN_CROSSING_INCANDESCENT_FLASHER.html
Print this Page | Comments | Reading(3)
Code: