Published:2009/7/17 4:04:00 Author:Jessie | From:SeekIC

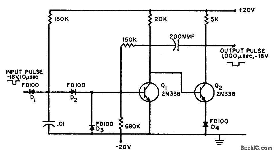
Will respond to input pulses occurring even before end of output pulse, which in effect gives negative recovery time. If circuit begins normal 1,000-microsec cycle and another trigger pulse arrives in 500 microsec, output pulse will last 1,500 microsec, or 500 microsec longer than usual. In other words, output pulse continues for 100 microsec after last trigger pulse. Input pulses should be of standardized voltage and long enough to discharge 0.01-mfd capacitor.-Monostable Circuit with Negative Recovery Time, Electronic Circuit Design Handbook, Mactier Pub. Corp., N.Y., 1965, p 72.
Reprinted Url Of This Article:
http://www.seekic.com/circuit_diagram/Power_Supply_Circuit/MONO_WITH_NEGATIVE_RECOVERY_TIME.html
Print this Page | Comments | Reading(3)
Code: