Published:2011/4/1 3:49:00 Author:Nicole | Keyword: converter | From:SeekIC

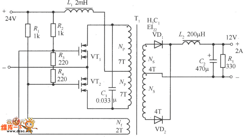
The figureof a MOSFET resonant DC / DC converter circuit isas below. In this circuit, the transformer is operating in unsaturation mode, with arc changes through the grid feedback voltage of MOSFET, by reducing the grid voltage to make MOSFET flip.
Reprinted Url Of This Article:
http://www.seekic.com/circuit_diagram/Power_Supply_Circuit/MOSFET_resonant_DC___DC_converter_circuit_diagram.html
Print this Page | Comments | Reading(3)
Code: