Published:2011/4/1 3:34:00 Author:Nicole | Keyword: main power, drive | From:SeekIC

Reprinted Url Of This Article:
http://www.seekic.com/circuit_diagram/Power_Supply_Circuit/Main_power_system_and_drive_circuit_diagram.html
Print this Page | Comments | Reading(3)
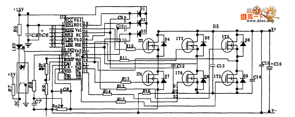
Code: